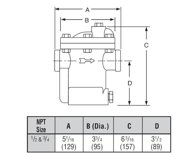
404195 B0150S-3 3/4" 150# BUCKET TRAP W/ STRAINER

Be comfortable with our equipments

Specifications

Be updated on the newest events

Error executing template "Designs/Swift/Paragraph/Swift_ArticleList.cshtml"
System.Reflection.TargetInvocationException: Exception has been thrown by the target of an invocation. ---> System.NullReferenceException: Object reference not set to an instance of an object.
   at Dynamicweb.Content.Items.Queries.Repository.IsPageAllowed(Page page)
   at Dynamicweb.Content.Items.Queries.Repository.GetPagesByIds(IEnumerable`1 parentIds, Boolean includeChildItems, Boolean checkPermissions, List`1& childPages)
   at Dynamicweb.Content.Items.Queries.Repository.SelectByParentPageIds(IEnumerable`1 parentIds, Query query, Boolean includeParagraphs, Boolean includeChildItems, Boolean checkPermissions, Boolean includeInheritedItems)
   at Dynamicweb.ItemPublisher.Frontend.GetItems()
   at Dynamicweb.ItemPublisher.Frontend.List()
   at Dynamicweb.ItemPublisher.Frontend.GetContent()
   at Dynamicweb.ItemPublisher.Frontend.GetContentBySettings(String settings)
   --- End of inner exception stack trace ---
   at System.RuntimeMethodHandle.InvokeMethod(Object target, Object[] arguments, Signature sig, Boolean constructor)
   at System.Reflection.RuntimeMethodInfo.UnsafeInvokeInternal(Object obj, Object[] parameters, Object[] arguments)
   at System.Reflection.RuntimeMethodInfo.Invoke(Object obj, BindingFlags invokeAttr, Binder binder, Object[] parameters, CultureInfo culture)
   at Dynamicweb.Extensibility.AddIns.AddInManager.InvokeFunction(Object instance, String functionName, Object[] arguments)
   at Dynamicweb.Rendering.TemplateBase`1.RenderItemList(Object settings)
   at CompiledRazorTemplates.Dynamic.RazorEngine_ef72673d6aea404891cc1acaee75f055.GetArticles(String itemType) in F:\Domains\Sites\dev-jmp.mydwsite3.com\Files\Templates\Designs\Swift\Paragraph\Swift_ArticleList.cshtml:line 16
   at CompiledRazorTemplates.Dynamic.RazorEngine_ef72673d6aea404891cc1acaee75f055.Execute() in F:\Domains\Sites\dev-jmp.mydwsite3.com\Files\Templates\Designs\Swift\Paragraph\Swift_ArticleList.cshtml:line 97
   at RazorEngine.Templating.TemplateBase.RazorEngine.Templating.ITemplate.Run(ExecuteContext context, TextWriter reader)
   at RazorEngine.Templating.RazorEngineService.RunCompile(ITemplateKey key, TextWriter writer, Type modelType, Object model, DynamicViewBag viewBag)
   at RazorEngine.Templating.RazorEngineServiceExtensions.<>c__DisplayClass16_0.<RunCompile>b__0(TextWriter writer)
   at RazorEngine.Templating.RazorEngineServiceExtensions.WithWriter(Action`1 withWriter)
   at Dynamicweb.Rendering.RazorTemplateRenderingProvider.Render(Template template)
   at Dynamicweb.Rendering.TemplateRenderingService.Render(Template template)
   at Dynamicweb.Rendering.Template.RenderRazorTemplate()

1 @inherits Dynamicweb.Rendering.ViewModelTemplate<Dynamicweb.Frontend.ParagraphViewModel> 2 3 @functions 4 { 5 private object GetArticles(string itemType) 6 { 7 string listSource = Model.Item.GetRawValueString("ListSource", Model.PageID.ToString()); 8 string articleListSortOrder = Model.Item.GetRawValueString("ArticleListSortOrder", "Descending"); 9 var parent = Dynamicweb.Context.Current.Request.QueryString.Get("list"); 10 var query = string.IsNullOrEmpty(parent) ? listSource : parent; 11 var includeAllChildren = Model.Item.GetRawValueString("ListDepth", "all") == "all" ? true : false; 12 var listContext = Model.Item?.GetList("ListContext")?.GetRawValue().OfType<string>(); 13 var filterString = string.Join(" or ", listContext.Select(item => $"Tags == \"{item}\" or Tags ends with \",{item}\" or Tags starts with \"{item},\" or Tags contains \",{item},\"")); 14 int maxItemsInList = !string.IsNullOrEmpty(Model.Item.GetInt32("MaxItemsInList").ToString()) ? Model.Item.GetInt32("MaxItemsInList") : 10; 15 16 return RenderItemList(new 17 { 18 ItemType = itemType, 19 ListTemplate = "ItemPublisher/List/List.cshtml", 20 ItemFieldsList = "*", 21 ListSourceType = "Page", 22 ListSourcePage = query, 23 ListPageSize = maxItemsInList, 24 IncludeParagraphItems = true, 25 ListOrderBy = "PublishedDate", 26 ListSecondOrderBy = "Updated", 27 ListOrderByDirection = articleListSortOrder, 28 IncludeAllChildItems = includeAllChildren, 29 Filter = itemType == "Swift_Article" ? filterString : null // Filter only if "articles only" 30 }); 31 } 32 } 33 34 @{ 35 string listBehaviour = Model.Item.GetRawValueString("ListBehaviour", "articles"); 36 string articleListLayout = Model.Item.GetRawValueString("ArticleListLayout", "grid"); 37 string columnTheme = Model.Item.GetRawValueString("ColumnTheme", string.Empty).ToString().Replace(" ", "").Trim().ToLower(); 38 string columnThemeClass = columnTheme != string.Empty ? " theme " + columnTheme + " p-3" + (articleListLayout == "carousel" ? " px-lg-4" : string.Empty) : string.Empty; 39 40 int maxItemsInList = !string.IsNullOrEmpty(Model.Item.GetInt32("MaxItemsInList").ToString()) ? Model.Item.GetInt32("MaxItemsInList") : 10; 41 42 <div class="h-100@(columnThemeClass) item_@Model.Item.SystemName.ToLower()"> 43 <div id="@Model.ID" class="user-select-none" style="scroll-margin-top:var(--header-height,150px)"></div> 44 45 @switch (articleListLayout) 46 { 47 case "grid": 48 49 { 50 if (listBehaviour == "articles") 51 { 52 @GetArticles("Swift_Article") 53 } 54 if (listBehaviour == "lists") 55 { 56 @GetArticles("Swift_ArticleListPage") 57 } 58 } 59 60 break; 61 62 case "carousel": 63 var carouselSettings = Model.Item.GetRawValueString("CarouselSettings", "4"); 64 string slidesPerPage = $"slider-item-show{carouselSettings}"; 65 string navigationStyle = $"{Model.Item.GetRawValueString("NavigationStyle", "slider-nav-round")}"; 66 string navigationPlacement = $"{Model.Item.GetRawValueString("NavigationPlacement", "slider-nav-on-slides")}"; 67 string indicatorStyle = $"{Model.Item.GetRawValueString("IndicatorStyle", string.Empty)}"; 68 string revealSlides = Model.Item.GetRawValueString("RevealSlides", "reveal") == "reveal" ? "slider-item-reveal" : string.Empty; 69 string sliderItemsGap = Model.Item.GetRawValueString("SliderItemsGap", "slider-item-gap") == "slider-item-nogap" ? "slider-item-nogap" : string.Empty; 70 string navigationAlwaysVisible = (Model.Item.GetBoolean("NavigationAlwaysVisible")) ? "slider-nav-visible" : string.Empty; 71 string navigationVisibleOnTouch = (Model.Item.GetBoolean("NavigationVisibleOnTouch")) ? "slider-nav-touch" : string.Empty; 72 string navigationShowScrollbar = (Model.Item.GetBoolean("NavigationShowScrollbar")) ? "slider-nav-scrollbar" : string.Empty; 73 string scrollBarForceMobile = (Model.Item.GetBoolean("NavigationShowScrollbar")) ? "--swiffy-slider-track-height:0.5rem !important;" : string.Empty; 74 string navigationSmall = (Model.Item.GetBoolean("NavigationSmall")) ? "slider-nav-sm" : string.Empty; 75 string navigationInvertColors = (Model.Item.GetBoolean("NavigationInvertColors")) ? "slider-nav-dark" : string.Empty; 76 string navigationSlideEntirePage = (Model.Item.GetBoolean("NavigationSlideEntirePage")) ? "slider-nav-page" : string.Empty; 77 string navigationNoLoop = (Model.Item.GetBoolean("NavigationNoLoop")) ? "slider-nav-noloop" : string.Empty; 78 string indicatorsOutsideSlider = (Model.Item.GetBoolean("IndicatorsOutsideSlider") && indicatorStyle != string.Empty) ? "slider-indicators-outside" : string.Empty; 79 string indicatorsHighlightActive = (Model.Item.GetBoolean("IndicatorsHighlightActive")) ? "slider-indicators-highlight" : string.Empty; 80 string indicatorsInvertColors = (Model.Item.GetBoolean("IndicatorsInvertedColors")) ? "slider-indicators-dark" : string.Empty; 81 string indicatorsVisibleOnSmallDevices = (Model.Item.GetBoolean("IndicatorsVisibleOnSmallDevices")) ? "slider-indicators-sm" : string.Empty; 82 string animation = Model.Item.GetRawValueString("Animation", string.Empty) != string.Empty ? $"slider-nav-animation {Model.Item.GetRawValueString("Animation")}" : string.Empty; 83 string autoplay = (Model.Item.GetBoolean("Autoplay")) ? "slider-nav-autoplay" : string.Empty; 84 string autoplayInterval = Model.Item.GetRawValueString("AutoplayInterval", string.Empty); 85 bool hideSliderNavigation = false; 86 87 if (navigationStyle == "slider-nav-none") 88 { 89 hideSliderNavigation = true; 90 } 91 92 <div id="Slider_@Model.ID" class="swiffy-slider @(slidesPerPage) @(navigationStyle) @(revealSlides) @(navigationPlacement) @(navigationAlwaysVisible) @(navigationVisibleOnTouch) @(sliderItemsGap) @(indicatorStyle) @(navigationShowScrollbar) @(navigationSmall) @(navigationInvertColors) @(indicatorsOutsideSlider) @(navigationNoLoop) @(indicatorsHighlightActive) @(indicatorsInvertColors) @(indicatorsVisibleOnSmallDevices) @(navigationSlideEntirePage) @(animation) @(autoplay) item_@Model.Item.SystemName.ToLower()" style="--swiffy-slider-nav-light:var(--swift-foreground-color);--swiffy-slider-nav-dark:var(--swift-background-color);visibility:hidden;opacity:0;@(scrollBarForceMobile)" data-slider-nav-autoplay-interval="@(autoplayInterval)"> 93 <div class="slider-container pb-3 py-lg-3 px-lg-3 mt-lg-n3 mx-lg-n3"> 94 @{ 95 if (listBehaviour == "articles") 96 { 97 @GetArticles("Swift_Article") 98 } 99 if (listBehaviour == "lists") 100 { 101 @GetArticles("Swift_ArticleListPage") 102 } 103 } 104 </div> 105 106 @if (!hideSliderNavigation) 107 { 108 <button type="button" title="@Translate("Previous slide")" class="slider-nav" style="z-index:1;"> 109 <span class="visually-hidden">@Translate("Previous slide")</span> 110 </button> 111 <button type="button" title="@Translate("Next slide")" class="slider-nav slider-nav-next" style="z-index:1;"> 112 <span class="visually-hidden">@Translate("Next slide")</span> 113 </button> 114 } 115 @if (indicatorStyle != "slider-indicators-hidden") 116 { 117 <div class="slider-indicators" style="z-index:1;"></div> 118 } 119 120 <script type="module" src="/Files/Templates/Designs/Swift/Assets/js/swiffy-slider.js"></script> 121 <script> 122 window.addEventListener("load", () => { 123 swift.AssetLoader.Load('/Files/Templates/Designs/Swift/Assets/css/swiffy-slider.min.css', 'css'); 124 window.swiffyslider.initSlider(document.querySelector('#Slider_@Model.ID')); 125 document.querySelector('#Slider_@Model.ID').style.opacity = 1; 126 document.querySelector('#Slider_@Model.ID').style.visibility = "visible"; 127 }); 128 </script> 129 130 @if (indicatorStyle != "slider-indicators-hidden") 131 { 132 <script type="module"> 133 const slider = document.querySelector('#Slider_@Model.ID'); 134 const sliderContainer = slider.querySelector('.slider-container'); 135 let slides = sliderContainer.querySelectorAll('article'); 136 const sliderIndicators = slider.querySelector('.slider-indicators'); 137 138 slides.forEach((slide,index) => { 139 const indicator = document.createElement('template'); 140 indicator.innerHTML = ` 141 <button type="button" class="${index == 0 ? "active" : ""}" title='@Translate("Go to slide") ${index + 1}'> 142 <span class="visually-hidden">@Translate("Go to slide") ${index + 1}</span> 143 </button> 144 `; 145 sliderIndicators.appendChild(indicator.content); 146 }); 147 </script> 148 } 149 </div> 150 151 break; 152 } 153 </div> 154 } 155

Trending

More products